商铺名称:苏州友皓工业自动化有限公司
联系人:杨铮()
联系手机:
固定电话:
企业邮箱:
联系地址:苏州市吴中区木渎镇中山东路111号1幢3A17室
邮编:
联系我时,请说是在五金机电网上看到的,谢谢!
| 产品参数 | |||
|---|---|---|---|
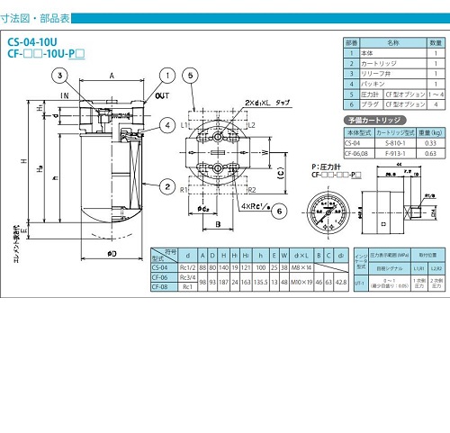
| 销售TAISEI大生过滤器CS-04-10U/CF-06-10U/CF-08-10U 友皓工业 型号 | CS-04-10U/CF-06-10U/CF-08-10U | ||
| 最高使用压力 | 0.5 | ||
| 标准使用温度 | –10 ? 90 | ||
| 压力计测量范围 | 0 ~ 1.0 | ||
| 本体主要材质 | 铝 | ||
| 流量 | 25~85? /min | ||
| 产地 | 日本 | ||
| 重量 | 0.49~0.92KG | ||
| 是否进口 | 是 | ||
| 品牌 | TAISEI大生工业 | ||
.jpg)






