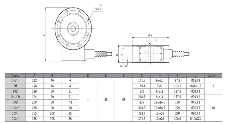
韩国CAS凯士的LS系列轮辐式称重传感器是一款专为工业自动化场景设计的高精度测量设备。其核心原理基于弹性体变形和应变片技术,当外力作用于传感器中心轮毂时,通过对称辐条的形变引起应变片电阻变化,并经由惠斯通电桥转换为与压力成正比的电信号输出?.该系列传感器具有结构紧凑、抗偏载能力强和环境适应性好的特点,典型工作温度范围为-10°C至+70°C,灵敏度为2.0mV/V,输入/输出电阻均为350±3.5Ω?



具体型号有
LS-1T
LS-2T
LS-3T
LS-5T
LS-10T
LS-20T
LS-30T
LS-50T
LS-100T
LS-200T
LS-300T
产品特点:
设计类型:拉力/压力型,可适应不同的使用场景需求。
密封结构:具有高度密封结构,按照IP67等级设计,能有效防止灰尘和水的侵入,保证在恶劣环境下稳定工作。
电路保护:内置抗干扰、防浪涌电路,可增强传感器在复杂电气环境中的稳定性和可靠性。
认证情况:部分型号如LS-100T-NR获得CE认证,表明其符合相关欧洲标准。
配件可选:可选配拉力配件(杆端轴承型配件)、压力配件(压头型,球型配件)等,以满足不同的安装和使用要求。此外还有LS-EXP本安型(ExiaIICT4)、LS-EXP-D防爆型(ExiaIICT4)、LS-EXP-TD防尘型(ExtDA21T135℃IP68)等特殊类型可供选择。
三、产品应用
该传感器的应用范围广泛,主要包括罐装秤、漏斗秤、筒仓秤等工业秤,以及拉力/压力测试机等设备,可用于各种需要精确称重和力测量的场合。
富林泰克热销型号:
sb4-100kn c3
sb4-100kn gp
sb4-10197kg c3
sb4-10197kg-c3 mi7.5
sb4-1020kg-c3
sb4-1020kg-c3 mi7.5
sb4-2039kg c4
sb4-20kn c1
sb4-20kn c4
sb4-20kn-c3
sb4-20kn-c4
sb4-5099kg c4
sb4-50kn c1
sb4-50kn c3
sb4-50kn c4
sb4-50kn-c4 mi 7.5
sb4-5kn-c4
sb4-5kn-c4 mi 7.5
sb4-5kn-gp
sb6-102kg-c3 mr
sb6-1kn c3 mr
sb6-1kn-c3
sb6-20.4kg gp
sb6-204kg-c3 mr
sb6-20kg-c3
sb6-2kn-c3 mr
sb6-2kn-gp
sb6-51kg gp
sb8-100kg c1
sb8-100kg c3
sb8-100kg gp
sb8-10kg gp
sb8-200kg c3
sb8-20kg c1
sb8-20kg c3
sb8-20kg c3-s
sb8-20kg gp
sb8-500kg c1
sb8-500kg c3
sb8-50kg
sb8-50kg c1
sb8-50kg c3
sb8-50kg gp
slb-1000lb c3
slb-1000lb gp
slb-1134kg c3
slb-200lb-c3
slb-2500lb c3
slb-454kg-c3
slb-500lb-c3
FT-10工业称重仪表
FT-10 RS232C,RS232C,2个可编程In / Out(1进1出,2进2出,非光电隔离
FT-10P RS232C,RS485,Modbus RTU ,2个可编程In / Out(1进1出,2进2出,非光电隔离
FT-10I0 RS232C,RS485,4进/ 5 出,不锈钢前面板
FT-10MB Modbus RTU, RS232C ,4进/ 5 出,不锈钢前面板
FT-10AN Analog , Modbus RTU, RS232C ,4进/ 5 出,不锈钢前面板
FT-10EN Ethernet TCP/IP, RS232C,RS485 ,4进/ 5 出,不锈钢前面板