商铺名称:安科瑞电气工厂直供
联系人:刘(先生)
联系手机:
固定电话:
企业邮箱:a17269725322@163.com
联系地址:嘉定区马陆镇育绿路
邮编:201801
联系我时,请说是在五金机电网上看到的,谢谢!
| 产品参数 | |||
|---|---|---|---|
| 品牌 | 安科瑞 | ||
| 精度 | 0.5级 | ||
| 通讯 | 485Modbus-RTU | ||
| 接线方式 | 3*1(6)A 3*10(80)A | ||
| 可售卖地 | 北京;天津;河北;山西;内蒙古;辽宁;吉林;黑龙江;上海;江苏;浙江;安徽;福建;江西;山东;河南;湖北;湖南;广东;广西;海南;重庆;四川;贵州;云南;西藏;陕西;甘肃;青海;宁夏;新疆 | ||
| 型号 | DTSD1352-C | ||
.jpg)
.jpg)
.jpg)
?
1 、 概述<?xml:namespace prefix = "o" />
DTSD1352 导轨式多功能电能表,是主要针对电力系统,工矿企业,公用设施的电能统计、管理需求而设计的一款智能仪表,产品具有精度高、体积小、安装方便等优点。集成常见电力参数测量及电能计量及考核管理,提供上 48 月的各类电能数据统计。具有 2~31 次分
次谐波与总谐波含量检测,带有开关量输入和开关量输出可实现“遥信”和“遥控”功能,并具备报警输出。带有 RS485 通信接口,可选用 MODBUS-RTU 或 DL/T645 协议。该电力仪表可广泛应用于各种控制系统,SCADA 系统和能源管理系统中。产品符合企业标准
Q31/0114000129C035-2017《导轨式安装电能表企业标准》的要求。
2 、型号说明
?
3 ?、功能列表
?
?
注:1:外置互感器规格时,谐波测量为标配,其余规格均为选配。
2:默认无功脉冲、时钟脉冲、开关量输出三选一;
3:有源开关量和第二路通讯二选一;
4:选配测温功能时 1、2 所述选配功能均不可选。
4、技术规格
?
?5、??外形尺寸
?
?
注:直接接入的接线力矩不应大于?4.0N·m,经互感器接入的接线力矩应不大于 2.0N·m。
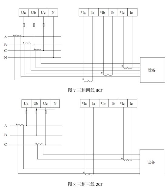
6?、?接线与安装
6.1 ?电压电流接线示意图
?
?
?
?
6.2 ?开关量输入、输出、NTC ?测温端子
?
开关量输出为继电器输出,可实现“遥控”和报警输出。
开关量输入是采用开关信号输入方式,由外部电源供电。当外部接通或断开时,经过仪表开关输入模块采集其接通或断开信息并通过仪表本地显示。开关量输入不仅能够采集和显示本地的开关信息,同时可以通过仪表的?RS485 实现远程传输功能,即“遥信”功能。
注:(17-18)为有功电能脉冲,(60-61-62-69)为三路 NTC 测温端口,(15-16)时钟脉冲、(19-20)无功电能脉冲、(40-41)开关量输出与(60-61)端子复用,(24-25)2路通讯、(31-39)开关量输入与(62-69)端子复用。
.jpg)