商铺名称:陕西欧派克仪表集团有限公司
联系人:周佳()
联系手机:
固定电话:
企业邮箱:113335348@qq.com
联系地址:陕西省西安市长安区郭杜街办香积大道以北仓台西路以西融讯制造港6号-101
邮编:
联系我时,请说是在五金机电网上看到的,谢谢!
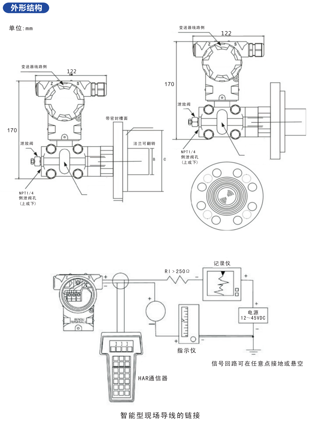
产品说明:OPEC381系列法兰式压力/液位变送器是我公司引进美国罗斯蒙特公司先进技术制造,具有设计原理新颖、坚固耐振、长期稳定性好、单向过载保护能力强而著称的产品,安装使用简便、本质安全防爆等特点。广泛应用于电力、石油、化工、冶金、轻工、医药和环保等行业。包括:差压、表压、绝压、液位和远传等变送器,可用于各种工业环境。
产品详情



产品选型表

选型样本下载
使用说明书下载
使用说明书下载典型案例
知识分享

售后承诺
陕西欧派克仪表集团有限公司的服务与技术支持人员具有丰富的产品知识和现场操作经验,专业化的服务团队能够确保客户得到专业的服务。专业、快速的服务,是我们不变的承诺!
欧派克坚持“以顾客为中心,达到并超越顾客的要求”的理念来为顾客服务公司服务流程。
欧派克服务流程
?以客户为中心:
本公司向用户承诺,本仪表供货时所应提供的硬件、附件在材质和制造工艺上都不存在任何缺陷。从仪表购买之日起开始计算,在3年质保期内,若收到用户关于此类缺陷的通知,本公司对确实有缺陷的产品实行无条件免费维修或免费更换。本公司对所有仪表产品一律保证7天包退3年保修,终身维修。
售后服务承诺:
1、客户的技术疑问,我们承诺在4个小时内处理完毕。
2、返厂维修的仪表我们承诺在3个工作日内出具检测结果,7个工作日内完成维修。
3、仪表返给客户之后2周之内对用户进行回访,并提供自动化相关技术的免费咨询。