商铺名称:东台质品五金机械有限公司
联系人:沈福东(先生)
联系手机:
固定电话:
企业邮箱:dtzpwjjx@126.com
联系地址:江苏省东台市溱东镇开庄工业区30号
邮编:224212
联系我时,请说是在五金机电网上看到的,谢谢!
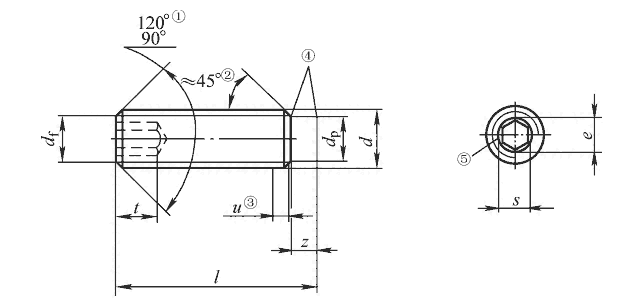
DIN915内六角圆柱端紧定螺钉,又称内六角顶丝,头部圆柱端,产品材质不锈钢304、316,合金钢等,产品规格从M2-M24,支持特殊材质加长产品定制,产品纸盒纸箱包装,可根据客户要求来包装。产品部分规格备有库存。产品广泛应用于电子设备,仪器仪表,医用设备,港口机械等。公司生产的紧固件常年出口国外,产品满足标准要求,满足机械性能,提供产品检测报告,原材料材质单等。公司生产的紧定有多种,包括DIN913内六角平端紧定螺钉,DIN914内六角尖端紧定螺钉,DIN916内六角凹端紧定螺钉,DIN551一字槽平端紧定螺钉等,常规规格备有库存,欢迎了解。
