商铺名称:上海昊沃阀门有限公司
联系人:吕经理(先生)
联系手机:
固定电话:
企业邮箱:765761533@qq.com
联系地址:上海市星云经济园区真北路3199号
邮编:201900
联系我时,请说是在五金机电网上看到的,谢谢!
哪里有销售T47H浮球式蒸汽疏水调节阀的厂家
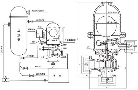
适用于电站、化工、制药、造纸等行业具有加热器的工业部门,用于除氧汽水箱水位的调节,有效控制加热器中的水量多少的必须设备。
T47H浮球式蒸汽疏水调节阀工作原理和设计特点:
1. 利用凝结水液位的变化而使浮球上升和下降,也可以手柄操作,从而驱动下部的启闭装置,开启和关闭,实现排水阻气的功能。
2. 该阀随着凝结水液面上升,当浮球升到距罩盖底平面403mm时,阀门全开使冷凝结水大量排入水箱。当浮球下降113毫米后,阀门全关,冷凝水不能流出,使浮球稳定的限制在113-403毫米的空间范围内变化,从而使阀门达到只能排放空气和水及高温冷凝水,而阻止蒸汽泄漏的优越性。
3. 外形尺寸较大,适用于较大背压力且不会泄漏蒸汽,排出的凝结水是接近蒸汽压力的饱和水,故有利于提高本阀门的设备热效率和二次蒸汽利用的节能特点。
T47H浮球式蒸汽疏水调节阀产品外形与结构尺寸:

|
公称通径 DN(mm) |
主要外形尺寸 |
连接尺寸 |
||||||||||||
|
长 |
宽 |
高 |
L1 |
L2 |
M |
A-D |
D2 |
b |
DN |
B-D |
D2 |
b |
||
|
40 |
460 |
540 |
964 |
160 |
240 |
385 |
145 |
85 |
18 |
40 |
145 |
85 |
18 |
|
|
50 |
160 |
100 |
20 |
|||||||||||
|
80 |
195 |
135 |
22 |
|||||||||||
|
100 |
215 |
155 |
25 |
|||||||||||
|
150 |
470 |
560 |
980 |
280 |
210 |
30 |
||||||||