代顿H600 组成部分和各种抗晃电产品对比
代顿H600 组成部分和各种抗晃电产品对比
产品价格:¥0.00(人民币)
  • 规格:完善
  • 发货地:济南
  • 品牌:
  • 最小起订量:1台
  • 诚信商家
    会员级别:钻石会员
    认证类型:企业认证
    企业证件:通过认证

    商铺名称:济南万邦电子工程有限公司

    联系人:张丽丽(小姐)

    联系手机:

    固定电话:

    企业邮箱:jnwbdz@126.com

    联系地址:济南市历下区龙奥北路阳光金融中心20层

    邮编:250100

    联系我时,请说是在五金机电网上看到的,谢谢!

    商品详情

      组成部分

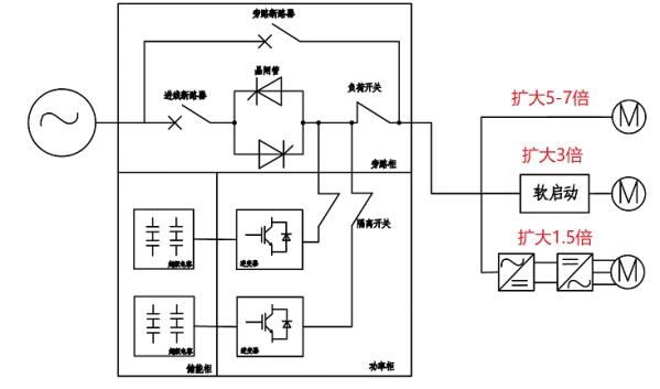
      (1)晃电保护模块

      晃电保护模块由检测电路、开关电路、可控硅、电抗器、晃电计数器等组成,是整个防晃电装置的核心部件;当检测电网电压在正常范围内时,保护模块处于待机状态;当检测到电压暂降时,保护模块在小于200微秒内启动,投入运行;当检测到电压恢复时,在10毫秒停止运行,转为待机状态。

      (2)控制系统

      采用西门子CPU单元,主要是电源系统的逻辑控制、监测、充放电管理的和人机界面数据显示。系统逻辑控制单元,完成变频逆变器信号采集、处理、分析和控制,监测输入交流电压、电流和频率,充电电流、电压及状态、放电电流、电压及状态的监测,系统故障检测及告警。

      (3)充电单元

      采用模块化、双环控制的谐振开关电源技术,效率高、可靠性高。N+1热备,可平滑扩容用隔离自主均流,并机不均流度<±5%;每个模块内部均有并联保护电路,绝对保证故障模块自动退出系统,而不影响其它正常模块工作。输出过压保护、输出限流保护、短路保护、模块并联保护、过温保护、过流保护。

      (4)储能单元

      储能是整个系统关键部分之一,我公司根据解决晃电和长时间备用两种情况分别计算选型,既要保证负载功率的匹配,也要保证服务寿命;种类一般选用普通铅酸蓄电池、高功率铅酸电池和超级电容器,用户也可自己选型。


      各种抗晃电产品对比

      就目前而言,电动机变频器防晃电保护有多种方式方案;按现场生产工艺要求有以下匹配方案。


      ①?电压暂降、短时中断负载设备绝对没有中断或扰动(10毫秒-120秒)。匹配方案有UPS、代顿H600及DVR装置。

      ②?意外停电负载设备绝对没有中断或扰动,并持续运行一段时间(10-90分钟)。匹配方案有UPS、代顿H600。

      ③?意外停电负载设备准可以中断,仅解决备用一段时间(10-90分钟)。匹配方案有代顿H600、EPS、UPS及发电机组。

      ④?电压暂降、短时中断、停电,负载设备可以停止,电网恢复自动启动。匹配方案晃电接触器、快切装置。

      (1)UPS电源方案

      在拖动变频器电动机负载时,有以下几个缺陷无法解决。

      ①?负载匹配差,更适合控制类平稳负载,需要放大UPS电源功率倍数,直接启动5-7倍、软启动 3倍、变频启动1.5倍。

      ②?拖动电动机、变频器时,UPS自身可靠性变差,故障率变高。

      ③?UPS串联在主回路中,增加单点故障点,系统可靠性降低。

      ④?UPS串联在主回路中,能耗增加,一般会增加10%左右,在大功率负载中,一年电费就非常可观。

      ⑤?造价高、维护保养难度大。

      (2)DVR方案

      DVR方案按照UPS电源结构理解,相当于UPS电源的节能模式;跟UPS电源相比,解决了正常运行情况下效率问题,综合能耗大概1%;其它跟UPS电源同。

      ①?负载匹配差,更适合控制类平稳负载,需要放大UPS电源功率倍数,直接启动5-7倍、软启动3倍、变频启动1.5倍。

      ②?拖动电动机、变频器时,UPS自身可靠性变差,故障率变高。

      ③?UPS串联在主回路中,增加单点故障点,系统可靠性降低。

      ④?造价高、维护保养难度大。

      (3)代顿H600方案

      专门针对变频器、电动机负荷设计(在没有变频器的场所,需要加装逆变器),集合UPS零切换和比DVR高效率的优点,并优化了它们各自的缺点。功率比1:1;支持使用设备现场已有的变频器;在一些特殊要求的领域完全替代UPS、EPS、发电机组。


      ①?专门针对电动机变频器设计。

      ②?拖动电动机、变频器时,无需放大功率,1:1即可。

      ③?并联输入,屏蔽交流输入单点故障点,系统可靠性高。

      ④?并联输入,系统投入基本不能耗增加。

      ⑤?结构简单、造价合理、维修保养容易。

      (4)三种抗晃电方案对比


      UPS

      DVR

      代顿H600

      电机负载与设备功率比

      直接启动5-7扩大

      软启动3倍扩大

      变频启动1.5倍扩大

      直接启动5-7扩大

      软启动3倍扩大

      变频启动1.5倍扩大

      1:1

      装置可靠性

      一般

      一般

      设备接入

      串联在主电路

      串联在主电路

      并联在主电路

      电动机负载适应

      不适应

      不适应

      最适应

      装置造价

      晃电时电能转换次数

      3次(+变频器)

      3次(+变频器)

      1次

      输出中断时间

      零毫秒,无中断

      零毫秒,无中断

      零毫秒,无中断

      电机实际使用效果

      切换无扰动

      切换无扰动

      切换无扰动

      系统结构复杂程度

      复杂

      最杂

      简单

      100KW运行1年能耗

      15万度

      2万度

      2000度以内

      拖动电动机时系统优点

      ①?在线运行,无切换。

      ②?更适合电脑、精密仪器等。

      ③?离线运行,快速切换。

      ①?更适合电脑、精密仪器等。

      ①?解决单点故障点

      ②?在线运行,0切换。

      ③?效率高。

      ④?可靠性高。

      ⑤?结构简单,?造价

      ⑥?拖动感性负载1:1。

      ⑦?感性负载启动平稳。

      拖动电动机时系统缺点

      ①?造价

      ②?带来单点故障点

      ③?系统效率低,能耗高。

      ④?系统可靠性

      ⑤?结构复杂。

      ⑥?需要放大设备功率。

      ①?造价高

      ②?带来单点故障点

      ③?系统可靠性低。

      ④?结构复杂。

      ⑤?需要放大设备功率。

      ①?在动力负载中,技术基本无劣势

      ②?在10KW以下小功率负载中,造价高。


    0571-87774297