商铺名称:天津众诺诚科技有限公司
联系人:徐经理(先生)
联系手机:
固定电话:
企业邮箱:313645697@qq.com
联系地址:天津市北辰区辰昌路
邮编:300401
联系我时,请说是在五金机电网上看到的,谢谢!
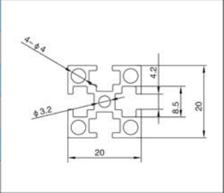
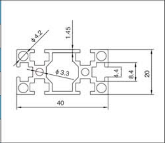
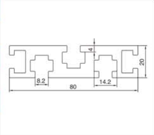
1. 本公司铝型材采用6063-T5材质,表面处理为银白氧化/磨砂氧化,银白氧化表面为金属色,外观非常漂亮,且耐脏,一旦涂上油污非常容易清洗,可在任意环境下使用;磨砂氧化表面非常有质感,但相比于银白氧化不易耐脏和清洁,推荐在室内或空间密闭环境下使用。
2. 工业铝型材适用行业非常广泛,组装成品时可根据不同承重来选择对应规格铝型材,并采用配套铝型材连接件,不需焊接等方式,较为环保,而且可以根据不同工况条件在现场进行改装,省时省力,缩短工程项目进度。
3. 工业铝型材选型非常重要,我公司只推荐对应项目适合的产品,免费设计免费测量,致力于做工业组装行业解决方案服务商。
联系人:徐经理
联系方式:15822922255


