商铺名称:河北恩赛环保科技有限公司
联系人:郝(小姐)
联系手机:
固定电话:
企业邮箱:hbensai@126.com
联系地址:河北省石家庄市新华区
邮编:50000
联系我时,请说是在五金机电网上看到的,谢谢!
| 产品参数 | |||
|---|---|---|---|
| 品牌 | 河北恩赛 | ||
| 产品种类 | 托臂 | ||
| 应用范围 | 地下管廊 | ||
| 产地 | 河北石家庄 | ||
| 性能 | 耐腐蚀,耐火,抗疲劳,承载力强 | ||
| 可售卖地 | 北京;天津;河北;山西;内蒙古;辽宁;吉林;黑龙江;上海;江苏;浙江;安徽;福建;江西;山东;河南;湖北;湖南;广东;广西;海南;重庆;四川;贵州;云南;西藏;陕西;甘肃;青海;宁夏;新疆 | ||
| 型号 | 42*43*2.0\/2.5\/3.0 | ||
?托臂? C型钢托臂支架恩赛紧固件厂家
河北恩赛托臂支架优势:介电强度能好,耐电孤,不用接地装置,降低工程施工工艺流程和辅补原材料,抗腐蚀强,在酸、碱、盐环境中不容易浸蚀、不生锈。荷载抗压强度高,大荷载达2.88KN,可承担大量的电缆线,在湿冷、高烧、严寒环境中冲击韧性能保证,产品品质,长期性荷载下不变形,防火性能佳,高分子材料高分子材料的商品阻燃等级合乎防火、低烟、无卤、无毒性的安全性规定,使用期长,达到50年左右。
托臂的组成由托臂底座与C型槽钢(背打孔)焊接而成,材质选用Q235B或Q345B,焊接工艺是气体保护焊。

当采用Q235B材质时,其钢材强度的设计值如下表:

(钢材的强度设计值(N/mm2))

(与托臂配套的螺栓、螺母的最小扭矩表(N.m))
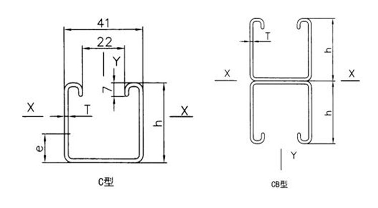
托臂槽钢类型有两种,C型、CB型,如下图:

?