商铺名称:泰兴市秦兴减速机有限公司
联系人:缪鹏程(先生)
联系手机:
固定电话:
企业邮箱:2854567678@qq.com
联系地址:江苏省泰兴城东工业园区
邮编:225400
联系我时,请说是在五金机电网上看到的,谢谢!
| 产品参数 | |||
|---|---|---|---|
| 功能用途 | 减速机 | ||
| 适用范围 | 机械行业 | ||
| 传动比 | 90 | ||
| 产地 | 江苏泰兴 | ||
| 是否进口 | 否 | ||
| 极数 | 多级 | ||
| 是否定制 | 否 | ||
| 颜色 | 蓝色 | ||
| 安装形式 | 卧式 | ||
| 布局格式 | 同轴式 | ||
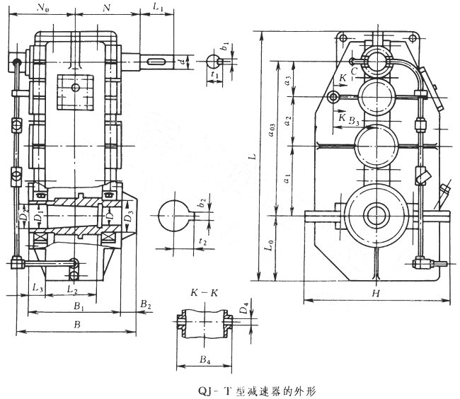
| 规格 | QJ-T中硬齿面减速机 | ||
| 可售卖地 | 北京;天津;河北;山西;内蒙古;辽宁;吉林;黑龙江;上海;江苏;浙江;安徽;福建;江西;山东;河南;湖北;湖南;广东;广西;海南;重庆;四川;贵州;云南;西藏;陕西;甘肃;青海;宁夏;新疆 | ||
| 型号 | QJ-T335-90-II起重机用套装减速机 | ||





.jpg)


.jpg)



.jpg)