商铺名称:西安新敏电子科技有限公司
联系人:崔经理(先生)
联系手机:
固定电话:
企业邮箱:1172591273@qq.com
联系地址:陕西 西安 西安市西安市雁塔区电子西街3号
邮编:710065
联系我时,请说是在五金机电网上看到的,谢谢!
| 产品参数 | |||
|---|---|---|---|
| 品牌 | 新敏电子 | ||
| 产品 | 无线Zigbee温度变送器 | ||
| 分类 | 温度变送器 | ||
| 被测介质 | 液体、气体 | ||
| 温度量程 | -50-150℃ 其他量程均可订制 | ||
| 温度测量精度 | 0.5级 | ||
| 上报周期 | 1分~12小时 可设定 | ||
| 小数位数 | 0~2位 可设定 | ||
| 信号传输 | Zigbee无线发射功率:≤40mW | ||
| 通讯距离 | ≥90m | ||
| 工作电源 | 3.6V锂电池 | ||
| 防爆等级 | Ex d IIB T4 Gb | ||
| 外壳防护 | IP65 | ||
| 过程接口 | M20*1.5客户订制 | ||
| 工作环境温度 | -40℃~75℃ | ||
| 工作环境湿度 | ≤97 RH | ||
| 产品重量 | 2000g(净重) | ||
| 数量 | 100 | ||
| 封装 | 纸箱 | ||
| 批号 | 001 | ||
| 可售卖地 | 北京;天津;河北;山西;内蒙古;辽宁;吉林;黑龙江;上海;江苏;浙江;安徽;福建;江西;山东;河南;湖北;湖南;广东;广西;海南;重庆;四川;贵州;云南;陕西;甘肃;青海;宁夏;新疆 | ||
| 型号 | Zigbee | ||
一、产品概述:
无线温度变送器是一种物联网无线传输终端,利用ZigBee网络为用户提供无线数据传输功能.采用微功耗无线通讯模式,不需要接线,安装更为快捷、安全、方便,另有配套的无线转接设备,可将诸多无线温度信号转换为ZIGBEE无线标准信号通过以太网传输,能够方便的接入测控系统,有着广泛的应用层面。广泛应用于石油化工、纺织、电力、冶金、医药、食品等各种工业控制领域。
二、产品特点
1.温度无线测试,典型应用于油田井口温度监测;
2.防爆设计:隔爆铝壳,电路板系统本质安全;
3.防护等级:IP65,全密封防水设计;
4.Zigbee通讯,可用手抄器对其配置、测试;
5.LCD显示:-40~75℃宽温度工作范围,可显示温度数据、电池电压、无线信道等多种信息;
6.安装方向可调:通过活接或转接头接入现场管道阀门,可调节方向。
7.38Ah高能量锂亚电池,超长工作寿命。
8.高增益天线,无线传输距离达 90m 以上。
9.定制护线套,防止线缆接头断裂。
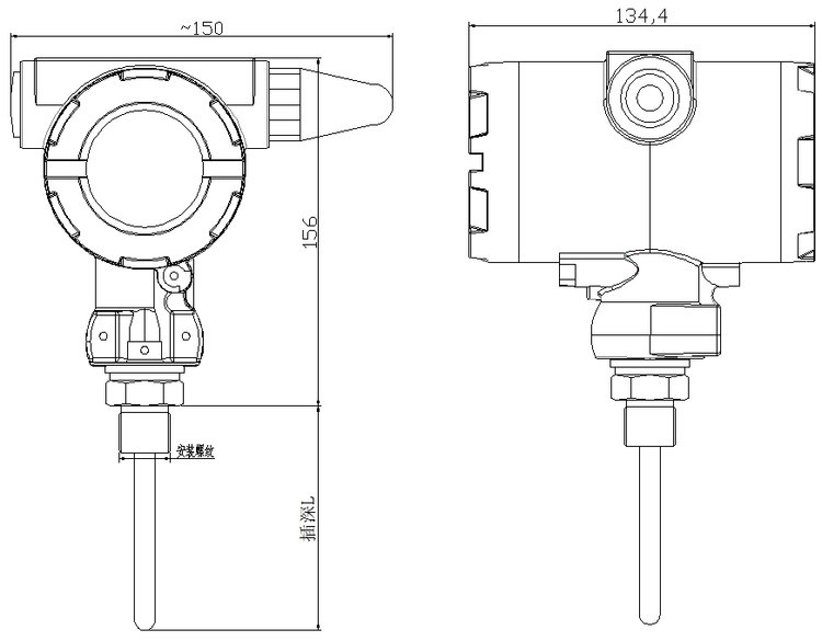
四、外型结构

五、显示说明



.jpg)

