商铺名称:西安新敏电子科技有限公司
联系人:崔经理(先生)
联系手机:
固定电话:
企业邮箱:1172591273@qq.com
联系地址:陕西 西安 西安市西安市雁塔区电子西街3号
邮编:710065
联系我时,请说是在五金机电网上看到的,谢谢!
产品型号CYB13
产品名称:CYB13隔离式压力变送器
产品品牌:西安新敏传感器
一、产品简介
CYB13隔离式压力变送器是采用进口的高精度、高稳定性的带不锈钢隔离膜片的硅力敏芯片,经激光调阻和先进的厚膜技术温度补偿,线性补偿、信号放大、V/I转换,逆极性保护,压力过载限流等信号处理,输出工业标准的电流、电压信号。
该变送器可广泛应用于冶金、电力、石油、化工、医药、食品、轻纺、水利、地质等领域对气体、液体、蒸汽的压力测量与控制。
二、技术性能
量 程 范 围 | -100…0~35…100 (KPa) | 精 确 度 | ±0.1%F.S ±0.2%F.S ±0.3%F.S |
0~1、5、20…100(MPa) | 长 期 稳 定 性 | ≤±0.2%F.S/年 | |
过 载 压 力 | ≤ 200%FS | 介 质 温 度 | - 20~+85℃ |
测 量 介 质 | 与 316L不锈钢兼容的气体、液体 | 响 应 时 间 | ≤1ms |
输 出 信 号 | 4~20mA 二线制 | 压 力 接 口 | M20×1.5或用户自定 |
0~5VDC 三线制 | 防 爆 标 志 | ExiaIICT6 | |
供 电 电 压 | 12~36VDC (标定值为+24VDC) | 防 护 等 级 | IP65 |
●316L不锈钢隔离膜片结构
●高精度、高稳定性、高可靠性
●抗干扰强,长期稳定性好
●全不锈钢结构, 坚固耐用
●耐磨损、抗冲击、防腐蚀
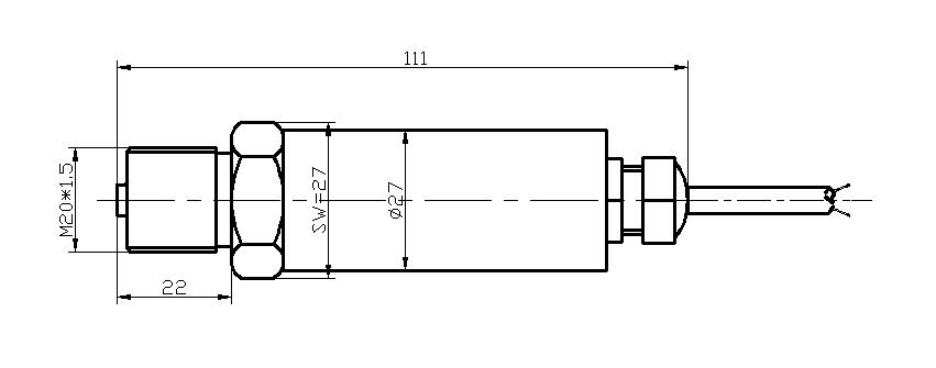
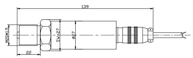
四、外形结构
4.1 赫斯曼出线

4.2.直接出线

4.3航插出线

五、产品选型
CYB13 | 隔离式压力变送器 | ||||||
G | 表压 | ||||||
A | 绝压 | ||||||
0~X (KPa或MPa) | 量程 | ||||||
J01 | ±0.1%FS | ||||||
J02 | ±0.2%FS | ||||||
J03 | ±0.3%FS | ||||||
C1 | 4~20mA输出 | ||||||
C2 | 0~5VDC输出 | ||||||
C0 | 特殊 | ||||||
M1 | M20×1.5 外螺纹 | ||||||
M2 | G1/2外螺纹 | ||||||
M3 | M12×1外螺纹 | ||||||
M0 | 特殊 | ||||||
F1 | 赫斯曼接头出线 | ||||||
F3 | 防水出线 | ||||||
F4 | 航插出线 | ||||||
F0 | 特殊 | ||||||