经济型高温压力变送器
经济型高温压力变送器
产品价格:¥面议(人民币)
  • 规格:完善
  • 发货地:本地至全国
  • 品牌:
  • 最小起订量:1
  • 诚信商家
    会员级别:钻石会员
    认证类型:企业认证
    企业证件:通过认证

    商铺名称:西安新敏电子科技有限公司

    联系人:崔经理(先生)

    联系手机:

    固定电话:

    企业邮箱:1172591273@qq.com

    联系地址:陕西 西安 西安市西安市雁塔区电子西街3号

    邮编:710065

    联系我时,请说是在五金机电网上看到的,谢谢!

    商品详情

      产品型号CYB13TU
      产品名称:经济型高温压力变送器
      产品品牌:西安新敏传感器

      一、产品简介

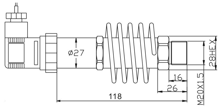
      CYB13TU经济型高温压力变送器采用进口高精度的压力传感器,并经过温度补偿与放大电路处理,输出工业标准信号。产品结构设计特殊,可耐130 ℃以内的介质温度,适用于工业控制过程中介质温度较高的场合。

      二、技术性能

      量 程 范 围

      500(KPa) ~10(MPa)

      精 确 度

           

         0.25%   ±0.5%F.S 

      长 期 稳 定 性

      ≤±0.3%F.S/年

      过 载 压 力

      ≤ 200%FS

      介 质 温 度

      -20~+130℃  

      测 量 介 质

      与 316L不锈钢兼容的气体、液体

      响 应 时 间

      ≤1ms

      输 出 信 号

      4~20mA 二线制

      压 力 接 口

      M20×1.5或用户自定

      0~5VDC  三线制

      电 气 接 口

      赫斯曼接头

      供 电 电 压

      12~36VDC (标定值为+24VDC)

      防 护 等 级

      IP65

      三、产品特点

      ● 高精度、稳定性好、全不锈钢结构

      ● 适合高温介质,-20~+130 ℃

      ● U形管设计,散热性能好

      ● 316L膜片,测量多种介质

      ● 小巧精致,安装方便

      四、外形结构

      //img.jdol.com/UserDocument/xaxmcgq2019/5d230a3480bef.png

      五、产品选型

      CYB13TU


      经济型高温压力变送器


      G


      表压


      A


      绝压


      0~X (KPa或MPa)


      量程


      J025

       J05


      ±0.25%

           ±0.5%FS


      C1


      4~20mA输出


      C2


      0~5VDC 输出


      C0


      特殊


      M1


      M20×1.5 外螺纹


      M0


      特殊


      F1

      赫斯曼接头出线


      F0

      特殊



    0571-87774297