商铺名称:黑龙江迪米电陶科技有限公司
联系人:吕先生(先生)
联系手机:
固定电话:
企业邮箱:dna-moive@163.com
联系地址:黑龙江省哈尔滨市松北区华美太古广场Q32
邮编:150000
联系我时,请说是在五金机电网上看到的,谢谢!
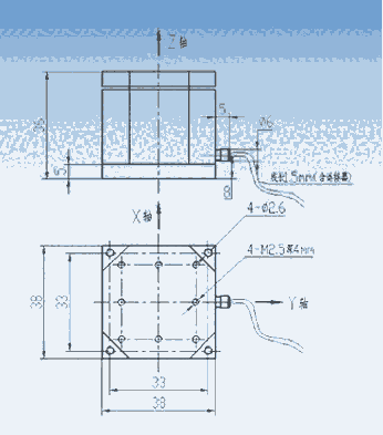
◆ 高速响应;
◆ 压电陶瓷驱动;
◆ 重复定位精度高;
◆ 纳米级位移分辨率;
◆ 机体材料分铝合金;
◆ 具有开环和闭环两种;
◆ 采用数控、线切割等加工工艺。严格保证结构精度;
◆ 采用计算机有限元仿真分析设计微动结构;
◆ 采用先进的表面处理工艺,提高了适应工作环境的能力。


