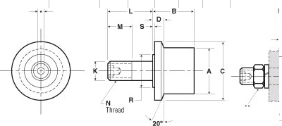
PLR-1-1/8工业冶金圆锥滚子轴承替代国
宁波万联轴承机械有限公司
主营:正标与非标轴承
2014/6/12
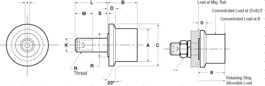
双列圆锥滚子滚轮轴承PLRY-10轴承 代替
2014/6/11
双列圆锥滚子滚轮轴承PLRY-9轴承 代替M
工业冶金 钢厂导轨滚轮PLRY-8轴承 代替
重型工业冶金双列圆锥滚子滚轮轴承PLRY-7
钢厂导轨滚轮PLRY-6轴承
工业冶金双列圆锥滚子滚轮轴承PLRY-5轴承
工业冶金双列圆锥滚子滚轮PLRY-4轴承
双列圆锥滚子滚轮轴承PLRY-3-1/4轴承
工业冶金 钢厂导轨滚轮PLRY-3轴承 代替
重型冶金圆锥滚子滚轮轴承HPJ-35
2014/6/10
重型冶金圆锥滚子滚轮轴承HPJ-32